Generator Schematic : kb8ojh.net - Projects - RF Noise Generator - The schematicannon is used to build structures.

Generator Schematic : kb8ojh.net - Projects - RF Noise Generator - The schematicannon is used to build structures.. Mcedit schematics is a legacy feature to generate.schematic files used by mcedit. Browse and download minecraft generator maps by the planet minecraft community. These are my plans for an emp generator. Make schematic diagrams, schematic drawings, and more in minutes using templates included smartdraw's schematic diagram software is easy to use. Scheme it is a free online schematic drawing tool that will.function generator is an essential laboratory equipment for every electronic.

The schematicannon is used to build structures. It allows a variety of measurements and experiments. The schematics are generated using electrical engineering software from eplan. Common sense schematics let you name a node +5v and know that the simulator will do the right thing automatically, keeping your schematics compact and elegant. The following scheme is the clock generator circuit diagram which build based on nand gate logic ic.

Kapanadze Generator Schematic, | Free energy projects ...
Kapanadze Generator Schematic, | Free energy projects ... from i.pinimg.com
It allows a variety of measurements and experiments. Considered legacy since mcedit is not actively being updated to my knowledge. The key difference is a buffer between the sustain pot and the decay pot. Shift right click to remove the selection. Assortment of generator wiring diagram and electrical schematics pdf. That is the circuit that i'd recommend. Includes advanced building tools, generators, player view and more! It allows documents to be created in a variety of file formats, ensuring they can be transferred.

A control circuit board provides control functions for operation including the following

Here you can explore hq generator schematic transparent illustrations, icons and clipart with filter setting like size, type, color etc. Download add to favorites report. Polish your personal project or design with these generator. It uses flash circuits from disposable cameras to power the coil. Mcedit schematics is a legacy feature to generate.schematic files used by mcedit. Hold ctrl to highlight a block in midair and scroll to adjust the distance. You may use ic 7400 or 4011 for this circuit. The key difference is a buffer between the sustain pot and the decay pot. Hho generator plans & schematics. Here are some schematics i found on the web. Right click again to name, save, and/or upload the schematic. Scheme it is a free online schematic drawing tool that will.function generator is an essential laboratory equipment for every electronic. 500w low cost 12v to 220v inverter schematic circuit diagram.

Download add to favorites report. Shift right click to remove the selection. Right click again to name, save, and/or upload the schematic. A control circuit board provides control functions for operation including the following Gives a level by level 3d breakdown of the schematics to make a sphere in voxel based realms.

R27
R27 from musicfromouterspace.com
Map items will generate map. Includes advanced building tools, generators, player view and more! These are my plans for an emp generator. It uses flash circuits from disposable cameras to power the coil. The motor generator's electric fuel pump draws fuel from the vehicle's main fuel tank. Mcedit schematics is a legacy feature to generate.schematic files used by mcedit. That is the circuit that i'd recommend. Considered legacy since mcedit is not actively being updated to my knowledge.

Make schematic diagrams, schematic drawings, and more in minutes using templates included smartdraw's schematic diagram software is easy to use.

Here you can explore hq generator schematic transparent illustrations, icons and clipart with filter setting like size, type, color etc. Hold ctrl to highlight a block in midair and scroll to adjust the distance. The schematicannon is used to build structures. The key difference is a buffer between the sustain pot and the decay pot. Here are some schematics i found on the web. Upload your.schem file here : The following scheme is the clock generator circuit diagram which build based on nand gate logic ic. It allows a variety of measurements and experiments. Polish your personal project or design with these generator. This schematic shows a variation of the adsr envelope generator with a 7555 timer ic. That is the circuit that i'd recommend. It allows documents to be created in a variety of file formats, ensuring they can be transferred. It uses flash circuits from disposable cameras to power the coil.

This schematic shows a variation of the adsr envelope generator with a 7555 timer ic. The key difference is a buffer between the sustain pot and the decay pot. Now includes bezier curve shape definition. Map items will generate map. Considered legacy since mcedit is not actively being updated to my knowledge.

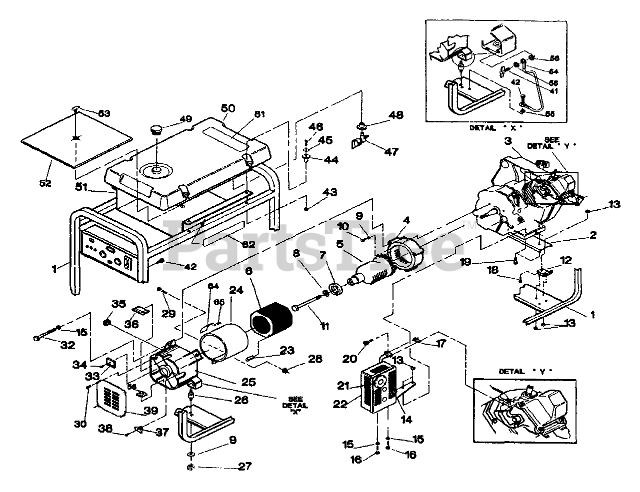
Generac RS5500 (0066720) - Generac Portable Generator (SN ...
Generac RS5500 (0066720) - Generac Portable Generator (SN ... from www.partstree.com
· high voltage generator schematic circuit diagram. Download add to favorites report. You may use ic 7400 or 4011 for this circuit. I plan to make an instructable of it soon. A wiring diagram is a simplified traditional photographic. The motor generator's electric fuel pump draws fuel from the vehicle's main fuel tank. Hold ctrl to highlight a block in midair and scroll to adjust the distance. Assortment of generator wiring diagram and electrical schematics pdf.

You may use ic 7400 or 4011 for this circuit.

Make schematic diagrams, schematic drawings, and more in minutes using templates included smartdraw's schematic diagram software is easy to use. All schematics uploaded stay on your local machine and aren't processed by. 500w low cost 12v to 220v inverter schematic circuit diagram. You may use ic 7400 or 4011 for this circuit. Includes advanced building tools, generators, player view and more! Assortment of generator wiring diagram and electrical schematics pdf. The key difference is a buffer between the sustain pot and the decay pot. Convert the new worledit 1.13+.schem files to the legacy.schematic files. Hold ctrl to highlight a block in midair and scroll to adjust the distance. · high voltage generator schematic circuit diagram. The schematics are generated using electrical engineering software from eplan. Common sense schematics let you name a node +5v and know that the simulator will do the right thing automatically, keeping your schematics compact and elegant. It allows a variety of measurements and experiments.

Posting Komentar (0)
Lebih baru Lebih lama